GO
D1D2

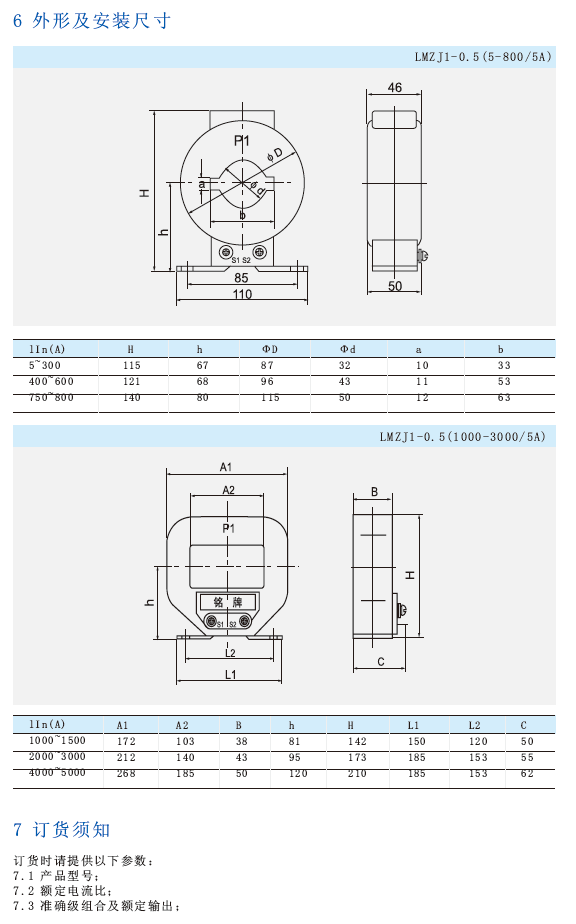
LMZJ1-0.5型电流互感器

所属分类:互感器

PDF File:

在线客服

1XBET体育平台客服1

1428967121

1XBET体育平台客服2

2281824741